ich bin immer wieder begeistert von dem Röhren ähnlichem Klang des Radios
Eigentlich macht er noch immer was er soll. Nur ...
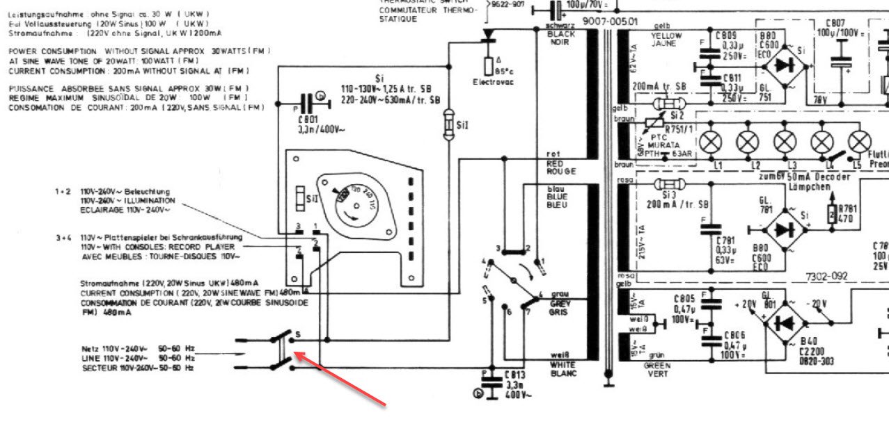
die Skalenbeleuchtung erlischt nicht wenn das Gerät ausgeschaltet wird. der Ton ist weg nur das Lämpchen geht nicht aus
Das zwar nur ein Schönheitsfehler, aber ich hätte ihn gerne behoben, weiß aber nicht wie


