HiFi Studio 2040 Quadro
Moderator: timundstruppi
HiFi Studio 2040 Quadro
In dem 2040 Quadro ist eine Platine eingebaut
mit der Nummer 59315-344 / 345
Diese bastelt wohl irgendwie das Quadro-Signal.
Den Schaltplan und Layout für das Gerät habe ich.
Leider ist die Platine nicht darin enthalten.
Die Karte schaut so aus, wie wenn die ursprünglich für ein
anderes Gerät gebaut worden ist.
In welchem Gerät könnte die den noch enthalten gewesen sein ?
Weiß das jemand ?
Grüße Aus dem Schwarzwald.
mit der Nummer 59315-344 / 345
Diese bastelt wohl irgendwie das Quadro-Signal.
Den Schaltplan und Layout für das Gerät habe ich.
Leider ist die Platine nicht darin enthalten.
Die Karte schaut so aus, wie wenn die ursprünglich für ein
anderes Gerät gebaut worden ist.
In welchem Gerät könnte die den noch enthalten gewesen sein ?
Weiß das jemand ?
Grüße Aus dem Schwarzwald.
- timundstruppi
- Beiträge: 2586
- Registriert: Do 29. Sep 2016, 17:25
- Wohnort: schloss mühlenhof
Re: HiFi Studio 2040 Quadro
Wie sehen die Tantale und Elkos aus. Dafür braucht man keinen SP.
Welche Quellen hast du? Hast du 4 Boxen?
Welche Quellen hast du? Hast du 4 Boxen?
Re: HiFi Studio 2040 Quadro
Das ist nicht original.
Die SQ-Platine ist original an der linken Seite vorne hochkant eingebaut. Sie heisst "Schalterplatte" oder "Umschalterplatte" mit den Drucktasten "Kopfhörer","Stereo", "Quadro" und dem Schieberegler "Quadro-Balance". Die Platinennummer ist 59310-049.00
In Deinem Fall handelt es sich mglw. um einen Ersatz-Quadro-Matrix-Decoder, der statt des Originalteils im Rahmen einer Reparatur oder Umbau auf ein anderes Quadro-Decoder-Verfahren eingebaut wurde.
Gruß
Reinhard
Die SQ-Platine ist original an der linken Seite vorne hochkant eingebaut. Sie heisst "Schalterplatte" oder "Umschalterplatte" mit den Drucktasten "Kopfhörer","Stereo", "Quadro" und dem Schieberegler "Quadro-Balance". Die Platinennummer ist 59310-049.00
In Deinem Fall handelt es sich mglw. um einen Ersatz-Quadro-Matrix-Decoder, der statt des Originalteils im Rahmen einer Reparatur oder Umbau auf ein anderes Quadro-Decoder-Verfahren eingebaut wurde.
Gruß
Reinhard
Re: HiFi Studio 2040 Quadro
@
Die verbaute Platinennummer ist 59310-049.410a
Drucktasten für Stereo/Quadro / Schieberegler alles da.
Allerdings ist das MC1312P nicht bestückt worden.
Ebenso die notwendigen diskreten Bauteile nicht.
Einzig von Pin 12 wird die Versorgungsspg. zu 59315-344 / 345 geführt.
Ebenso die Signalleitungen hin und wieder zurück.
Das im original Kabelbaum, also ich denke, dass ist Original so gefertigt worden.
@timundstruppi
Die Schaltung funktioniert, ich mag einfach wissen, wie es gemacht wurde.
Lautsprecherboxen sind in ausreichender Anzahl vorhanden.
Quelle ist gerade Radio, dass mal gar nicht so schlecht spielt (nachdem ich es Repariert habe)
In jedem Fall mal Empfangsstärker als die RPC´s.
@oldiefanoldiefan hat geschrieben: Di 4. Feb 2025, 19:57 Das ist nicht original.
Die SQ-Platine ist original an der linken Seite vorne hochkant eingebaut. Sie heisst "Schalterplatte" oder "Umschalterplatte" mit den Drucktasten "Kopfhörer","Stereo", "Quadro" und dem Schieberegler "Quadro-Balance". Die Platinennummer ist 59310-049.00
Die verbaute Platinennummer ist 59310-049.410a
Drucktasten für Stereo/Quadro / Schieberegler alles da.
Allerdings ist das MC1312P nicht bestückt worden.
Ebenso die notwendigen diskreten Bauteile nicht.
Einzig von Pin 12 wird die Versorgungsspg. zu 59315-344 / 345 geführt.
Ebenso die Signalleitungen hin und wieder zurück.
Das im original Kabelbaum, also ich denke, dass ist Original so gefertigt worden.
@timundstruppi
Die Schaltung funktioniert, ich mag einfach wissen, wie es gemacht wurde.
Lautsprecherboxen sind in ausreichender Anzahl vorhanden.
Quelle ist gerade Radio, dass mal gar nicht so schlecht spielt (nachdem ich es Repariert habe)
In jedem Fall mal Empfangsstärker als die RPC´s.
- timundstruppi
- Beiträge: 2586
- Registriert: Do 29. Sep 2016, 17:25
- Wohnort: schloss mühlenhof
Re: HiFi Studio 2040 Quadro
Achso, Stereo-Basisverbreiterung? wie ein RR800
Ich hatte früher mal die aktive Lösung mit einem Differenzverstärker. Ein Freund hatte damals die passive Lösung. Achtung, es kann für den Verstärker niederohmig werden. Klingt schon genial, außer bei den Beatles
Ich hatte früher mal die aktive Lösung mit einem Differenzverstärker. Ein Freund hatte damals die passive Lösung. Achtung, es kann für den Verstärker niederohmig werden. Klingt schon genial, außer bei den Beatles
- timundstruppi
- Beiträge: 2586
- Registriert: Do 29. Sep 2016, 17:25
- Wohnort: schloss mühlenhof
Re: HiFi Studio 2040 Quadro
RR800, trivial in der Gegenkopplung. Kling aber genial (2 Boxen). Wird dem Originalsignal zugemischt.
Re: HiFi Studio 2040 Quadro
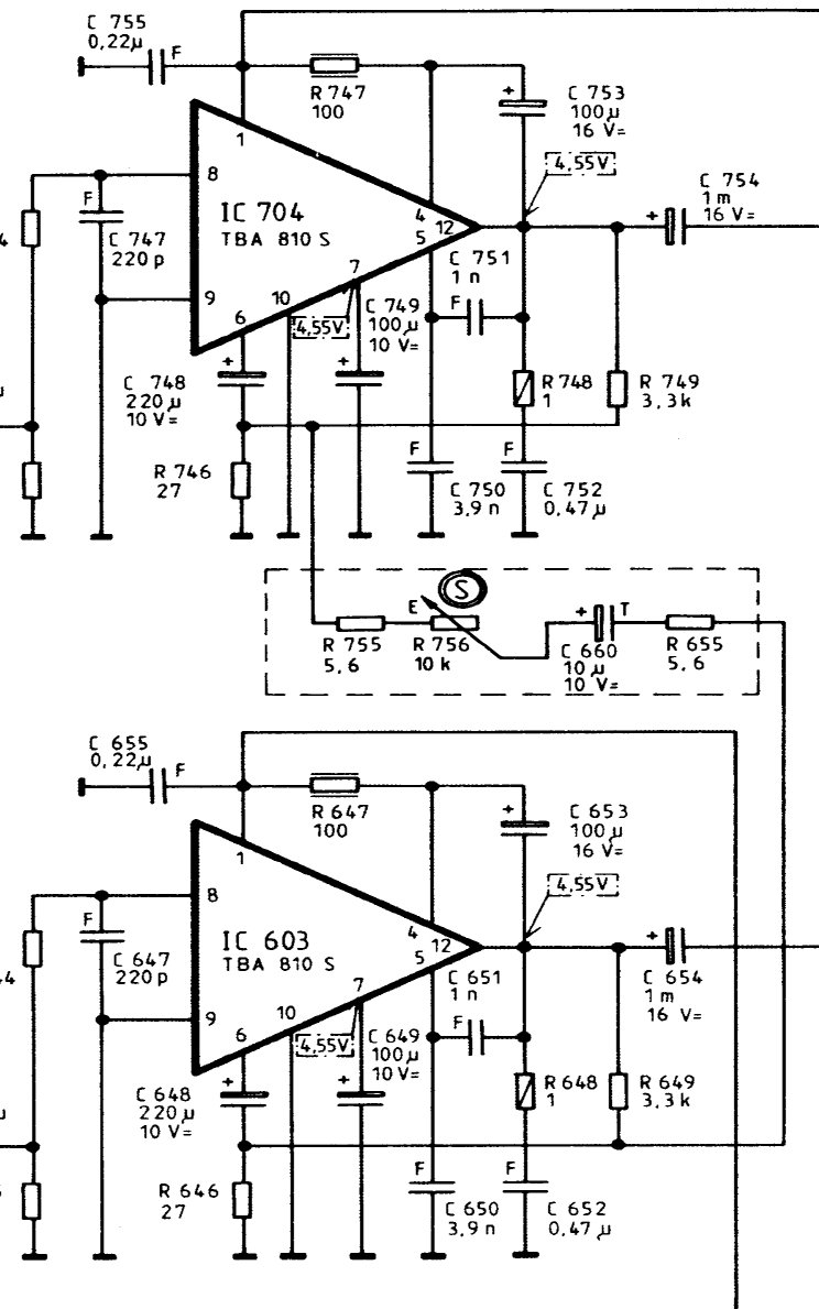
So schaut das gerade aus.
- timundstruppi
- Beiträge: 2586
- Registriert: Do 29. Sep 2016, 17:25
- Wohnort: schloss mühlenhof
Re: HiFi Studio 2040 Quadro
das Thema Quadrophonie hat mich schon in jungen Jahren begleitet.
Ich hab dann mal an einer HS141 (Dual) die Schaltung angeschaut und hab so bei mir gedacht:
... Hä ? 2 Kondensatoren mit einem Widerstand auf Kreuz, dass soll
den "versteckten" Quadro-Kanal aus dem "normalen" Kanal-Signal heraus decodieren ?
Wie soll das den gehen ?
Ich hab dann mal an einer HS141 (Dual) die Schaltung angeschaut und hab so bei mir gedacht:
... Hä ? 2 Kondensatoren mit einem Widerstand auf Kreuz, dass soll
den "versteckten" Quadro-Kanal aus dem "normalen" Kanal-Signal heraus decodieren ?
Wie soll das den gehen ?
- timundstruppi
- Beiträge: 2586
- Registriert: Do 29. Sep 2016, 17:25
- Wohnort: schloss mühlenhof