https://www.hifi-wiki.de/index.php/McIntosh_MC_2205
0.01% Klirr?
Sind die Übertrager so linear?
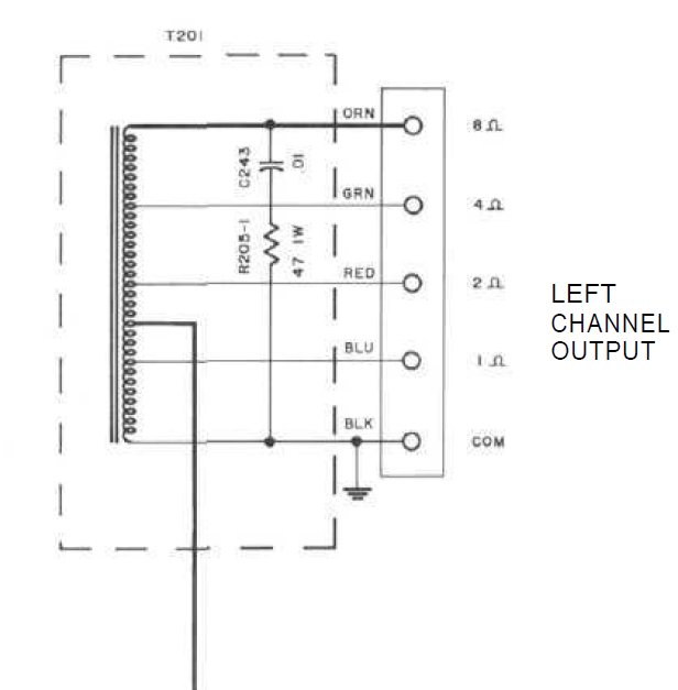
Dieser hat eine Niederimpedanzendstufe, die an einen Ausgangs-Autotrafo speist.
Der Autotrafo wird bei 1,5 Ohm etwa gespeist. 1,2, 4, 8 Ohm kann man anzapfen. 3 Transen sind ala V A 5k parallel und die Railspannung auch 42V
Will die nicht haben, habe ich nur mal gesehen, sind auch recht teuer.
Interessant!
So Niederimpedanzendstufen kenne ich aus den Billig-KFZ-Nachrüst-Enstufen mit Ausgangstrafo, um eben bei 12V mehr Leistung zu bekommen oder gleich 1 Ohm Lautsprecher dort zu bauen (Habe ich Serie im A3, A4).
Heute wird ein Step-up-Regler verwendet, mit Ringkerntrafo (1kW ist da Kippenschachtelgroß). Mit >20 kHz, dann ist der sehr klein. Die Frequenz steht in der 3.Potenz beim Bauvolumen. Deshalb habe Flieger z.B. auch u.a. 400Hz
MCIntosh, wie schafft der die Daten?
Moderator: timundstruppi
- timundstruppi
- Beiträge: 2591
- Registriert: Do 29. Sep 2016, 17:25
- Wohnort: schloss mühlenhof
Re: MCIntosh, wie schafft der die Daten?
Das ist natürlich ein Traumverstärkerchen
Würde meine C28 ideal ergänzen. Die Suche habe ich allerdings aufgegeben, einfach zu teuer.
Was das Klirrverhalten angeht, kommt es ja immer auf die Messung an, ob es nun 0,01 oder etwas mehr sind, ist eigentlich ohne Belang.
Die Bauteilequalität bei Mc war und ist über jeden Zweifel erhaben.
Bei meiner C28 mußte nicht ein Kondensator ersetzt werden.
LG
Mike
Würde meine C28 ideal ergänzen. Die Suche habe ich allerdings aufgegeben, einfach zu teuer.
Was das Klirrverhalten angeht, kommt es ja immer auf die Messung an, ob es nun 0,01 oder etwas mehr sind, ist eigentlich ohne Belang.
Die Bauteilequalität bei Mc war und ist über jeden Zweifel erhaben.
Bei meiner C28 mußte nicht ein Kondensator ersetzt werden.
LG
Mike
XV/V/A/T 5000, MXV 100, CF5500, T1000, R1000, TS1000, Monolith 50, Audiorama 8000, M400, XM 400, XM 600
- timundstruppi
- Beiträge: 2591
- Registriert: Do 29. Sep 2016, 17:25
- Wohnort: schloss mühlenhof
Re: MCIntosh, wie schafft der die Daten?
Das nicht hörbar etc. glaube ich, darum geht es auch nicht, sondern dass ich mir den Wert bei einem Übertrager nicht vorstellen kann. Remanenz und Sättigung dazwischen ein mehr oder minder linearer Bereich.
Das geht nicht. Daher zweifele ich an den 0,01 %.
Das geht nicht. Daher zweifele ich an den 0,01 %.
Re: MCIntosh, wie schafft der die Daten?
Meßverfahren?
Glaube nur an die Meßwerte die Du selbst gemessen hast.....
Beispiel bei Wow & Flutter
WRMS zu DIN = ca. Faktor 3
Glaube nur an die Meßwerte die Du selbst gemessen hast.....
Beispiel bei Wow & Flutter
WRMS zu DIN = ca. Faktor 3
Jede Menge Grundig Zeugs, garniert mit etwas Revox, Braun, Dual und Sony, an 5 Anlagen.
Grundig forever
Grundig forever
- timundstruppi
- Beiträge: 2591
- Registriert: Do 29. Sep 2016, 17:25
- Wohnort: schloss mühlenhof
Re: MCIntosh, wie schafft der die Daten?
Das ist bestimmt ein schöner Endverstärker.
Aber die Werte glaube ich nicht. Konnte 1975 auch nicht jeder nachmessen
Der Frequenzgang von 10 bis 100kHz +-30 dB sagt auch alles.
Schnell mal eine Null zu viel, hier aber in die andere Richtung.
Wobei ich bei Klirr schon von 1 oder 0,5 und nicht 0,01% ausgehe.
Messverfahren? Signal auf den linken Kanal und den Klirr rechts messen.

Aber die Werte glaube ich nicht. Konnte 1975 auch nicht jeder nachmessen
Der Frequenzgang von 10 bis 100kHz +-30 dB sagt auch alles.
Schnell mal eine Null zu viel, hier aber in die andere Richtung.
Wobei ich bei Klirr schon von 1 oder 0,5 und nicht 0,01% ausgehe.
Messverfahren? Signal auf den linken Kanal und den Klirr rechts messen.
Re: MCIntosh, wie schafft der die Daten?
Gerade sehe ich diesen Beitrag zum MC 2205. Ist schon älter, aber sehr sehr interessant!
Schon deshalb, weil ja in der Leistungsverstärker-Technik für den Anschluss von Lautsprechern (typ. 2 Ohm...16 Ohm) Spannungsanpassung üblich ist. D. h. der Verstärkerausgang ist i.a. sehr niederohmig (niedrige Ausgangsimpedanz) und der Lautsprechereingang demgegenüber vergleichsweise höher-/hochohmig. Das ergibt dann einen hohen Dämpfungsfaktor.
Aber McIntosh macht es hier ganz anders!
Der MC2205 verwendet tatsächlich einen Mittelweg zwischen Spannungsanpassung und Leistungsanpassung (Leistungsanpassung ist in der HF-Technik üblich aber sonst nicht in der NF-Technik), d.h. dass die Ausgangsimpedanz des Verstärkers durch eine Spartrafo-Schaltung für höherohmige Lautsprecher mehr angehoben wird als für niederohmige. Damit bleibt der Dämpfungsfaktor (DF=30 bei 4 Ohm Boxen, stereo) zwar relativ niedrig, aber immer noch gerade "hoch genug". Die Stromverstärkungs-Endstufe muss dafür sehr leistungsfähig sein, zumal auch noch 1 Ohm Boxen betrieben werden können.
Der Vorteil der Spartrafo-Schaltung besteht darin (so erklärt McIntosh), dass ein DC-Offset bzw. DC auf dem Endstufenausgang bei einem Endstufendefekt durch den Spartrafo nach Masse kurzgeschlossen wird. Diese Erklärung verwundert etwas, denn es gibt hier ja ein LS-Ausgangsrelais, das so angesteuert werden könnte, dass eine Gleichspannungserkennung auf dem Ausgang zum Öffnen des Relais führt - so wie das andere Hersteller machen. Offenbar traut McIntosh der DC-Erkennung nicht? Oder der DC-Offset kann von der Endstufe abhängig von Lastimpedanz und Ausgangsleistung nicht sicher immer ausreichend klein gehalten werden? Jedenfalls wird das LS-Relais nicht von einer DC-Erkennung geschaltet, sondern sorgt nur für das verzögerte Einschalten und rasche Abschalten.
Ich denke, der Grund ist noch ein anderer.
Der MC2205 hat sehr große Ausgangsleistung. Es ist schwierig, die Treiberschaltung für die erforderliche hohe Ausgangsspannung für kleinen Klirrfaktor auszulegen und das benötigt auch zusätzlich eine hohe Railspannung. Diese Schwierigkeiten können aber gemindert werden, wenn am Endstufenausgang die Ausgangsspannung nur für niederohmige Last ausgelegt sein muss und für höherohmige Lautsprecher durch die Spartrafo-Schaltung von der Spannung für 1,5 Ohm auf die Spannung für 1 Ohm herunter- und von 2 bis 8 Ohm hochtransformiert wird.
Die Angabe von 0,01% THD und IM-Verzerrungen glaube ich. Im User Manual sind die Messkurven abgebildet und McIntosh ist bei seinen Angaben als seriös bekannt (Druckfehler kommen da sicher auch vor, aber diese Werte sind ja oft genannt und zusätzlich mit den Kurven untermauert). Die Spartrafoschaltung ist bifilar ausgeführt und evtl. noch geschachtelt optimiert. Da hat McIntosh ja viel Erfahrung. Bei einem Volltrafo-Übertrager wäre das auch m.E. nicht machbar, der Spartrafo ist da sicher viel gutmütiger, zumal in diesem Fall die Zahl der Windungen nicht sehr hoch sein wird. Die Kunst bei Übertragern ist, den Klirrfaktor bei niedrigen Frequenzen (< 100 Hz) bis 20 Hz niedrig zu halten, bei höheren Frequenzen ist 0,01% THD und weniger leichter machbar.
Daten aus dem User-Manual MC2205:
Amplitudenfrequenzgang bei 1 W Ausgangsleistung ist - 2 dB bei 100 kHz.
Gruß
Reinhard
Schon deshalb, weil ja in der Leistungsverstärker-Technik für den Anschluss von Lautsprechern (typ. 2 Ohm...16 Ohm) Spannungsanpassung üblich ist. D. h. der Verstärkerausgang ist i.a. sehr niederohmig (niedrige Ausgangsimpedanz) und der Lautsprechereingang demgegenüber vergleichsweise höher-/hochohmig. Das ergibt dann einen hohen Dämpfungsfaktor.
Aber McIntosh macht es hier ganz anders!
Der MC2205 verwendet tatsächlich einen Mittelweg zwischen Spannungsanpassung und Leistungsanpassung (Leistungsanpassung ist in der HF-Technik üblich aber sonst nicht in der NF-Technik), d.h. dass die Ausgangsimpedanz des Verstärkers durch eine Spartrafo-Schaltung für höherohmige Lautsprecher mehr angehoben wird als für niederohmige. Damit bleibt der Dämpfungsfaktor (DF=30 bei 4 Ohm Boxen, stereo) zwar relativ niedrig, aber immer noch gerade "hoch genug". Die Stromverstärkungs-Endstufe muss dafür sehr leistungsfähig sein, zumal auch noch 1 Ohm Boxen betrieben werden können.
Der Vorteil der Spartrafo-Schaltung besteht darin (so erklärt McIntosh), dass ein DC-Offset bzw. DC auf dem Endstufenausgang bei einem Endstufendefekt durch den Spartrafo nach Masse kurzgeschlossen wird. Diese Erklärung verwundert etwas, denn es gibt hier ja ein LS-Ausgangsrelais, das so angesteuert werden könnte, dass eine Gleichspannungserkennung auf dem Ausgang zum Öffnen des Relais führt - so wie das andere Hersteller machen. Offenbar traut McIntosh der DC-Erkennung nicht? Oder der DC-Offset kann von der Endstufe abhängig von Lastimpedanz und Ausgangsleistung nicht sicher immer ausreichend klein gehalten werden? Jedenfalls wird das LS-Relais nicht von einer DC-Erkennung geschaltet, sondern sorgt nur für das verzögerte Einschalten und rasche Abschalten.
Ich denke, der Grund ist noch ein anderer.
Der MC2205 hat sehr große Ausgangsleistung. Es ist schwierig, die Treiberschaltung für die erforderliche hohe Ausgangsspannung für kleinen Klirrfaktor auszulegen und das benötigt auch zusätzlich eine hohe Railspannung. Diese Schwierigkeiten können aber gemindert werden, wenn am Endstufenausgang die Ausgangsspannung nur für niederohmige Last ausgelegt sein muss und für höherohmige Lautsprecher durch die Spartrafo-Schaltung von der Spannung für 1,5 Ohm auf die Spannung für 1 Ohm herunter- und von 2 bis 8 Ohm hochtransformiert wird.
Die Angabe von 0,01% THD und IM-Verzerrungen glaube ich. Im User Manual sind die Messkurven abgebildet und McIntosh ist bei seinen Angaben als seriös bekannt (Druckfehler kommen da sicher auch vor, aber diese Werte sind ja oft genannt und zusätzlich mit den Kurven untermauert). Die Spartrafoschaltung ist bifilar ausgeführt und evtl. noch geschachtelt optimiert. Da hat McIntosh ja viel Erfahrung. Bei einem Volltrafo-Übertrager wäre das auch m.E. nicht machbar, der Spartrafo ist da sicher viel gutmütiger, zumal in diesem Fall die Zahl der Windungen nicht sehr hoch sein wird. Die Kunst bei Übertragern ist, den Klirrfaktor bei niedrigen Frequenzen (< 100 Hz) bis 20 Hz niedrig zu halten, bei höheren Frequenzen ist 0,01% THD und weniger leichter machbar.
Daten aus dem User-Manual MC2205:
Amplitudenfrequenzgang bei 1 W Ausgangsleistung ist - 2 dB bei 100 kHz.
Gruß
Reinhard
- timundstruppi
- Beiträge: 2591
- Registriert: Do 29. Sep 2016, 17:25
- Wohnort: schloss mühlenhof
Re: MCIntosh, wie schafft der die Daten?
Oha, da hast du noch weitere Infos erhalten.
Es freut mich, dass dieser Beitrag dich interessiert.
Die Autotrafoeigenschaften waren mir nicht bekannt und dass sie besser sind.
Die Mehrschichtigkeit fand ich interessant und brachten mich auf die Spekulation des häufigen Ausfalls des Transistors rechts außen beim V A 5k Verstärker.
Trotz besonders niedrige Impedanz des Autotrafos bleicht ein Reststrom, der vielleicht kleineren Boxen schaden könnte, und den noch heilen Rests der Endstufe. Auch könnte es zu einer thermischen Zerstörung des A-Trafos und anderen Komponenten in der Endstufe kommen oder gar Brandauslösung, bevor die Schmelzsicherung anspricht.
SM bei Tanya:
https://elektrotanya.com/showresult?wha ... =&kat2=all
Es freut mich, dass dieser Beitrag dich interessiert.
Die Autotrafoeigenschaften waren mir nicht bekannt und dass sie besser sind.
Die Mehrschichtigkeit fand ich interessant und brachten mich auf die Spekulation des häufigen Ausfalls des Transistors rechts außen beim V A 5k Verstärker.
Trotz besonders niedrige Impedanz des Autotrafos bleicht ein Reststrom, der vielleicht kleineren Boxen schaden könnte, und den noch heilen Rests der Endstufe. Auch könnte es zu einer thermischen Zerstörung des A-Trafos und anderen Komponenten in der Endstufe kommen oder gar Brandauslösung, bevor die Schmelzsicherung anspricht.
SM bei Tanya:
https://elektrotanya.com/showresult?wha ... =&kat2=all