R 1000 neues Poti
Moderator: timundstruppi
- Hifi-Legende
- Beiträge: 231
- Registriert: Sa 17. Feb 2018, 16:38
Re: R 1000 neues Poti
Das Teil spielt wieder, die Loudness / Klangbild hat sich wie erwartet verändert.
Aktuelles Setup:
XV/A 5000 T 5000 SCF 6200 CD 8150 PS 4500
Pilot CD 801
------------------------------------------------------------------------------------------------------------------------------------------------------
V/XV/A 5000 Leider Geil

XV/A 5000 T 5000 SCF 6200 CD 8150 PS 4500
Pilot CD 801
------------------------------------------------------------------------------------------------------------------------------------------------------
V/XV/A 5000 Leider Geil



- Hifi-Legende
- Beiträge: 231
- Registriert: Sa 17. Feb 2018, 16:38
Re: R 1000 neues Poti
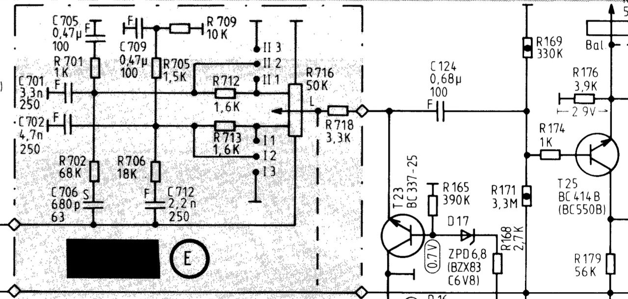
Soo habe die Widerstände noch einmal angepasst, das Teil spielt meiner Meinung nach etwas höhen betont aber dennoch mit Bass. Stellt man um auf Linear wirkt alles extrem leise. Naja für die Werkstatt wird es reichen. Höre eh nie Linear und die Höhen die zu viel sind werden raus geregelt.
Denke das es sich gelohnt hat, wenn auch nicht optimal aber immer noch besser als auf dem Schrott.
Denke das es sich gelohnt hat, wenn auch nicht optimal aber immer noch besser als auf dem Schrott.
Aktuelles Setup:
XV/A 5000 T 5000 SCF 6200 CD 8150 PS 4500
Pilot CD 801
------------------------------------------------------------------------------------------------------------------------------------------------------
V/XV/A 5000 Leider Geil

XV/A 5000 T 5000 SCF 6200 CD 8150 PS 4500
Pilot CD 801
------------------------------------------------------------------------------------------------------------------------------------------------------
V/XV/A 5000 Leider Geil



Re: R 1000 neues Poti
GenauHifi-Legende hat geschrieben: Sa 6. Mär 2021, 20:13 Denke das es sich gelohnt hat, wenn auch nicht optimal aber immer noch besser als auf dem Schrott.
Jede Menge Grundig Zeugs, garniert mit etwas Revox, Braun, Dual und Sony, an 5 Anlagen.
Grundig forever
Grundig forever

- timundstruppi
- Beiträge: 2499
- Registriert: Do 29. Sep 2016, 17:25
- Wohnort: schloss mühlenhof
Re: R 1000 neues Poti
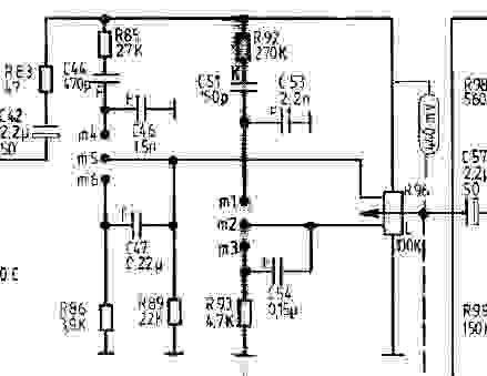
Ja klar erstmal gerettet, aber die ganzen RCs hätten umgebaut werden müssen, damit die Eckfrequenzen stimmen.
Muss man irgendwie mal durchsimulieren bei verschiedenen Potistellungen

- Hifi-Legende
- Beiträge: 231
- Registriert: Sa 17. Feb 2018, 16:38
Re: R 1000 neues Poti
Da wird dann der Aufwand viel zu groß, da gehört einfach das richtige Ersatzteil rein damit alles Ordnungsgemäß funktioniert. Das ist und bleibt eine Tüftelei und ist somit auch keine Praktikable Lösung.
Aktuelles Setup:
XV/A 5000 T 5000 SCF 6200 CD 8150 PS 4500
Pilot CD 801
------------------------------------------------------------------------------------------------------------------------------------------------------
V/XV/A 5000 Leider Geil

XV/A 5000 T 5000 SCF 6200 CD 8150 PS 4500
Pilot CD 801
------------------------------------------------------------------------------------------------------------------------------------------------------
V/XV/A 5000 Leider Geil



- timundstruppi
- Beiträge: 2499
- Registriert: Do 29. Sep 2016, 17:25
- Wohnort: schloss mühlenhof
Re: R 1000 neues Poti
Das musst du entscheiden.
Wenn Zeit und Lust da wäre, kann man so was machen. Man muss sich aber erst auch in ein Programm einarbeiten.
So wie ich das gesehen haben ist das etwas mehr als mal 1 Tief oder Hochpass...
Ich dattel gerade mit ARTA rum, da kann man ggf. sogar die Stufe ohne Simulation reinhängen...
Wenn Zeit und Lust da wäre, kann man so was machen. Man muss sich aber erst auch in ein Programm einarbeiten.
So wie ich das gesehen haben ist das etwas mehr als mal 1 Tief oder Hochpass...

Ich dattel gerade mit ARTA rum, da kann man ggf. sogar die Stufe ohne Simulation reinhängen...
Re: R 1000 neues Poti
Hallo zusammen,
angenommen, die Abgriffe sind bei den selben %-Werten vom Endanschlag, dann müßte man ja "nur" alle Widerstände halbieren (bei 100k Poti auf 50k), und alle Kondensatoren verdoppeln. Dann hat man wieder dieselben Zeitkonstanten.
Gruß
Bernhard
angenommen, die Abgriffe sind bei den selben %-Werten vom Endanschlag, dann müßte man ja "nur" alle Widerstände halbieren (bei 100k Poti auf 50k), und alle Kondensatoren verdoppeln. Dann hat man wieder dieselben Zeitkonstanten.
Gruß
Bernhard
- timundstruppi
- Beiträge: 2499
- Registriert: Do 29. Sep 2016, 17:25
- Wohnort: schloss mühlenhof
Re: R 1000 neues Poti
Genau so bleibt die Zeitkonstante und damit die Charakteristik gleich.