grundig cf 5500-1 störung bei einschalten
Moderator: timundstruppi
-
- Beiträge: 6
- Registriert: So 20. Jan 2019, 18:08
grundig cf 5500-1 störung bei einschalten
Sehr geehrte Forum Teilnehmer,
wer kann mir etwas zu folgendem Fehler sagen oder bei wem ist dieser selber schon aufgetreten:
Nach dem einschalten springt das Deck sofort in Aufnahme und läuft (Timerfunktion wurde nie betätigt ) Warum schaltet es in Aufnahme wenn nicht der Schalter hinter Vat schieber betätigt ? Ich hatte schon mehrere Decks der5500 serie und bei jedem tauchte der Fehler auf,also kein Einzelfall.Kann es sein das durch reinigen der Schalter vor/hinertband,Platinenstecker, kriechströme das auslösen.Optisch ist erstmal nichts zu sehen (50v elko).
Vielen Dank vorab wer dazu etwas schreiben kann.
MfG sirius
wer kann mir etwas zu folgendem Fehler sagen oder bei wem ist dieser selber schon aufgetreten:
Nach dem einschalten springt das Deck sofort in Aufnahme und läuft (Timerfunktion wurde nie betätigt ) Warum schaltet es in Aufnahme wenn nicht der Schalter hinter Vat schieber betätigt ? Ich hatte schon mehrere Decks der5500 serie und bei jedem tauchte der Fehler auf,also kein Einzelfall.Kann es sein das durch reinigen der Schalter vor/hinertband,Platinenstecker, kriechströme das auslösen.Optisch ist erstmal nichts zu sehen (50v elko).
Vielen Dank vorab wer dazu etwas schreiben kann.
MfG sirius
Re: grundig cf 5500-1 störung bei einschalten
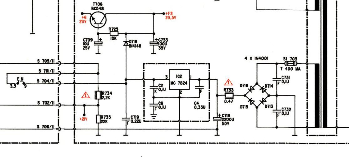
Sehr häufig hat C718 2200µF/50V Kurzschluß. Dann ist auch die Sicherung 703 durch.
Dann kann auch noch R733 Unterbrechung haben.
Mit schauen wirst Du nicht weiterkommen. Das Netzteil im 24V Bereich durchmessen, da dürfte der Fehler sein.
Dann kann auch noch R733 Unterbrechung haben.
Mit schauen wirst Du nicht weiterkommen. Das Netzteil im 24V Bereich durchmessen, da dürfte der Fehler sein.
Jede Menge Grundig Zeugs, garniert mit etwas Revox, Braun, Dual und Sony, an 5 Anlagen.
Grundig forever
Grundig forever

- timundstruppi
- Beiträge: 2499
- Registriert: Do 29. Sep 2016, 17:25
- Wohnort: schloss mühlenhof
Re: grundig cf 5500-1 störung bei einschalten
Bei mri ist in der VErgangenheit auch mndestens 2 mal sie Sicherung ohne Grund durchgebrannt.
Beim Nachmessen ergab sich schon eine recht hohe Belastung in der Nähe des Auslösestromes. Man konnt sehen, wie der Faden in der Sicherung leicht hing. Das es auf REC springt, ist der internen Logik geschuldet.
Ich meinte, dass es passiert, wenn man besonders langsman den Schalter betätigt. Ist aber schon über 35 Jahre her.
Elkos zu tauschen ist auch schon mal ein Anfang. Vorsictig sein, die Leiterplaten sind recht ampfindlich. Leiterbahnen reißen schnell beim Stecken der Module.
Beim Nachmessen ergab sich schon eine recht hohe Belastung in der Nähe des Auslösestromes. Man konnt sehen, wie der Faden in der Sicherung leicht hing. Das es auf REC springt, ist der internen Logik geschuldet.
Ich meinte, dass es passiert, wenn man besonders langsman den Schalter betätigt. Ist aber schon über 35 Jahre her.
Elkos zu tauschen ist auch schon mal ein Anfang. Vorsictig sein, die Leiterplaten sind recht ampfindlich. Leiterbahnen reißen schnell beim Stecken der Module.
-
- Beiträge: 6
- Registriert: So 20. Jan 2019, 18:08
Re: grundig cf 5500-1 störung bei einschalten
Hallo Forum Teilnehmer,
Danke für Antwort,
eine Sicherrung war bis jetzt noch nicht durch.Ich habe noch original c-718 aber den müsste man auf funktion messen lassen.(sowie ich gelesen habe gibt es keine original mehr).
MfG sirius
Danke für Antwort,
eine Sicherrung war bis jetzt noch nicht durch.Ich habe noch original c-718 aber den müsste man auf funktion messen lassen.(sowie ich gelesen habe gibt es keine original mehr).
MfG sirius
Re: grundig cf 5500-1 störung bei einschalten
Das ist unnötig. 2200µF/63V rein und gut ist.
Du kannst das Gerät auch zu mir schicken. Hast in 2 Tagen wieder zurück.
Also Eintreff, am nächsten Tag geht es wieder an Dich zurück.
Du kannst das Gerät auch zu mir schicken. Hast in 2 Tagen wieder zurück.
Also Eintreff, am nächsten Tag geht es wieder an Dich zurück.
Jede Menge Grundig Zeugs, garniert mit etwas Revox, Braun, Dual und Sony, an 5 Anlagen.
Grundig forever
Grundig forever

- timundstruppi
- Beiträge: 2499
- Registriert: Do 29. Sep 2016, 17:25
- Wohnort: schloss mühlenhof
Re: grundig cf 5500-1 störung bei einschalten
SP überflogen und sofort + und - im OPV vertauscht beim KHV gesehen...
ich würde ggf. einigs an Elkos da tauschen oder sind die CF besser als der Rest der Grundigwelt zu der Zeit?

ich würde ggf. einigs an Elkos da tauschen oder sind die CF besser als der Rest der Grundigwelt zu der Zeit?
Re: grundig cf 5500-1 störung bei einschalten
Ich besitze 1 x CF 5500 und 2 x CF 5500-2
Bei allen drei habe ich bisher, bis auf die wenigen bekannten C's keine weiteren getauscht.
Alle 3 CF's übertreffen die Werksangaben von damals. Mag auch daran liegen, daß Grundig die technischen Daten sehr konservativ angegeben hat.
Überhaupt hört/liest man wenig über seltsame Fehler in diesen Geräten.
Einzig kalte Lötstellen tauchen öfter auf.
Ach ja mir ist bisher kein einziges Gerät diesen Typs begegnet der optimal eingestellt war.
Durch präzise Einmessung läßt sich z.B. der Frequenzgang oft um gut 2 kHZ nach oben schieben.
..aber das ist eine andere Geschichte
Bei allen drei habe ich bisher, bis auf die wenigen bekannten C's keine weiteren getauscht.
Alle 3 CF's übertreffen die Werksangaben von damals. Mag auch daran liegen, daß Grundig die technischen Daten sehr konservativ angegeben hat.
Überhaupt hört/liest man wenig über seltsame Fehler in diesen Geräten.
Einzig kalte Lötstellen tauchen öfter auf.
Ach ja mir ist bisher kein einziges Gerät diesen Typs begegnet der optimal eingestellt war.
Durch präzise Einmessung läßt sich z.B. der Frequenzgang oft um gut 2 kHZ nach oben schieben.
..aber das ist eine andere Geschichte
Jede Menge Grundig Zeugs, garniert mit etwas Revox, Braun, Dual und Sony, an 5 Anlagen.
Grundig forever
Grundig forever

-
- Beiträge: 6
- Registriert: So 20. Jan 2019, 18:08
Re: grundig cf 5500-1 störung bei einschalten
Hallo forum Teilnehmer,Danke für zahlreiche Antwoten,
Zu diesen Thema -was ist mit den 1n4001 Dioden D713-D7169 (hatte ich auch mal gelesen)-kann man die im Gerät messen oder ausbauen?
MfG sirius
Zu diesen Thema -was ist mit den 1n4001 Dioden D713-D7169 (hatte ich auch mal gelesen)-kann man die im Gerät messen oder ausbauen?
MfG sirius
Re: grundig cf 5500-1 störung bei einschalten
Da neige ich schon anzubieten, einen Besen zu fressen wenn eine davon defekt sein sollte.
Mit lesen kommst Du da nicht weiter. Du mußt schon messen.
Mit am unwahrscheinlichsten sind defekte Gleichrichterdioden.
Mit der Diodentestfunktion eine Multimeters sollte das im eingebauten Zustand gehen.
Hast du denn den Kondensator schon aus ausgetauscht?
Vielleicht bekommst Du im HiFi Forum, in dem Du die gleiche Frage gestellt hast ja qualifiziertere Antworten.
Da sage ich nur.......
Im Hi Fi Forum in 60 Tagen keine Antwort
Im Grundig Forum in 3 Tagen 6 Antworten.............
Mit lesen kommst Du da nicht weiter. Du mußt schon messen.
Mit am unwahrscheinlichsten sind defekte Gleichrichterdioden.
Mit der Diodentestfunktion eine Multimeters sollte das im eingebauten Zustand gehen.
Hast du denn den Kondensator schon aus ausgetauscht?
Vielleicht bekommst Du im HiFi Forum, in dem Du die gleiche Frage gestellt hast ja qualifiziertere Antworten.
Da sage ich nur.......
Im Hi Fi Forum in 60 Tagen keine Antwort
Im Grundig Forum in 3 Tagen 6 Antworten.............
Jede Menge Grundig Zeugs, garniert mit etwas Revox, Braun, Dual und Sony, an 5 Anlagen.
Grundig forever
Grundig forever

- timundstruppi
- Beiträge: 2499
- Registriert: Do 29. Sep 2016, 17:25
- Wohnort: schloss mühlenhof