A 9000 und seine Schwachstellen
Moderator: timundstruppi
A 9000 und seine Schwachstellen
Forenfreunde,
gerade habe ich einen Fine Arts A 9000 Vollverstärker repariert.
Bei ihm war der linke Kanal ausgefallen, die Endstufen waren aber in Ordnung, Relais schalteten die Ausgänge frei. Ausserdem das Übliche: Beleuchtung ausgefallen (Birnchen durchgebrannt). Zusätzlich waren Widerstände im kleinen Netzteil hochohmig und einige der dortigen Kleinelkos waren "am Ende". Sie stehen ja recht warm eng an den Kühlkörpern der Spannungsregler.
Und es waren durch offenbar zu enge / viel zu stramm sitzende Cinchstecker bei drei der Cinch-Eingangsbuchsen deren äussere, vergoldete Massehülsen herausgerissen. Sie lagen glücklicherweise bei.
Reparatur:
Netzteil überholt.
Beleuchtung auf LEDs mit vier Vorwiderständen umgebaut (pro zwei LEDs in Serie ein 390 Ohm Vorwiderstand).
Eingangsplatine ausgebaut, Cinchbuchsen ausgebaut und die Goldhülsen wieder draufgesteckt und festgedrückt.
Fehlender linker Kanal:
Ursächlich war der Schleiferkontakt des Balancepotis, das beim linken Kanal keinen Kontakt mehr zur Widerstandsbahn hatte. Poti ausgebaut, geöffnet und Schleiferkontakte nachgebogen.
Alles wieder gut, linker Kanal ist wieder voll da.
Weshalb ich hier poste, ist vielmehr den Messungen geschuldet, die ich nach einer Reparatur immer mache. In diesem Fall: THD (Klirrfaktor) an 4 Ohm und an 8 Ohm Lastwiderstand.
Bei niedriger Ausgangsleistung waren diese unauffällig niedrig, wie es beim A 9000 sein soll. Meine "normale" Messeinrichtung mit guter Mittelklasse-Soundkarte (Steinberg UR242) ist dafür schon nicht mehr hinreichend, deren Untergrenze ist bei einem THD-Wert 0,003 % (1 kHz). Der A 9000 hat aber bei 10 W nur 0,001 % und auch bei 50 W nur höchstens 0,005 % THD (an 4 Ohm Last). Für < 50 W Ausgangsleistung musste die QA403 her, die noch bis 0,0001 % (-120 dB) THD messen kann.
Bei >0,005 % THD stimmen meine UR242 Soundkarte und die leistungsfähigere QA403 bei den angezeigten Werten überein. Ich bin deshalb sicher, dass ich keiner Fehlmessung aufsitze.
Worum es denn nun genau geht, seht ihr hier: THD bei 1 kHz gemessen. Grundig spezifiziert in den Technischen Daten des A 9000 aber:
Klirrfaktor bei 1 kHz, Power (P, bezogen auf 120 W Sinus Nennleistung an 8 Ohm) - 1 dB: THD < 0,005 %
- 1 dB von 120 W sind 95 W.
Anders gesagt:
Der A 9000 soll bei 95 W Ausgangsleistung an 8 Ohm Last und bei 1 kHz THD-Verzerrungen von nicht mehr als 0,005 % haben.
Tatsächlich messe ich aber den zehnfachen Wert: THD = 0,045 %, auf beiden Kanälen gleich.
Dieser A 9000 erreicht bei meiner Messung bei 50 W an 8 Ohm schon 0,005 % THD, auf beiden Kanälen.
Tatsächlich hatte ich bei einer Reparatur eines anderen A 9000 im Jahr 2010 bei 50 W an 8 Ohm einen THD bei 1 kHz von nur max. 0,003 % (oder weniger) gemessen. Der Wert würde der Grundig-Spezifikation entsprechen. Ich weiss aber nicht, ob damals die Netzspannung auch schon bei 238 V lag.
Nach meiner bisherigen Erfahrung fallen THD-Messungen an 8 Ohm Lastwiderstand bei den meisten Verstärkern günstiger aus als bei Messung an 4 Ohm. Jedenfalls ist das der Fall, wenn die Verzerrungen grösstenteils in der Stromverstärkungsstufe bei hohem Ausgangsstrom entstehen (bei 100 W ist der Ausgangsstrom 5 A an einem 4 Ohm Lastwiderstand, aber nur 3,5 A bei einem 8 Ohm Widerstand).
Hier, beim A 9000 (zumindest bei DIESEM) ist es anders. Wie an der Grafik ersichtlich, steigen die Verzerrungen im oberen Leistungsbereich an 8 Ohm Last viel früher und stärker an als beim 4 Ohm Lastwiderstand. Demnach ist die Zunahme nicht primär durch den Ausgangsstrom bestimmt, sondern durch die höhere Ausgangsspannung, die für gleiche Leistung an 8 Ohm erforderlich ist.
Ich vermute deshalb, dass die Spannungsverstärkerstufe (Treiber, inkl. Hybridbaustein STK) des A 9000 hier für die Verzerrungen im oberen Leistungsbereich ursächlich ist.
Das trifft auch bei 4 Ohm Last zu, ist nur weniger ausgeprägt, da die Ausgangsspannung kleiner bleibt.
Kontaktstörungen an den Schaltern und bei den Relais gibt es nicht. Auch bei Hin- und Herschalten sind die Werte exakt reproduzierbar.
Durch die höhere Netzspannung von jetzt 238 V liegen die Endstufen nicht mehr an +/- 58 V, wie 1990, sondern nun an +/- 64 V. Und auch der STK sieht diese erhöhte Süannung an seiner Versorgung. Kann es sein, dass der STK damit bei höherer Ausgangsspannung nicht mehr im optimalen "Arbeitspunkt" werkelt?
Es ist keine Beeinträchtigung des Hörvergnügens dadurch zu erwarten. dazu sind selbst diese erhöhten Klirrwerte immer noch klein genug. Aber auffällig ist es schon.
Was sagt ihr dazu?
Besten Gruß
Reinhard
gerade habe ich einen Fine Arts A 9000 Vollverstärker repariert.
Bei ihm war der linke Kanal ausgefallen, die Endstufen waren aber in Ordnung, Relais schalteten die Ausgänge frei. Ausserdem das Übliche: Beleuchtung ausgefallen (Birnchen durchgebrannt). Zusätzlich waren Widerstände im kleinen Netzteil hochohmig und einige der dortigen Kleinelkos waren "am Ende". Sie stehen ja recht warm eng an den Kühlkörpern der Spannungsregler.
Und es waren durch offenbar zu enge / viel zu stramm sitzende Cinchstecker bei drei der Cinch-Eingangsbuchsen deren äussere, vergoldete Massehülsen herausgerissen. Sie lagen glücklicherweise bei.
Reparatur:
Netzteil überholt.
Beleuchtung auf LEDs mit vier Vorwiderständen umgebaut (pro zwei LEDs in Serie ein 390 Ohm Vorwiderstand).
Eingangsplatine ausgebaut, Cinchbuchsen ausgebaut und die Goldhülsen wieder draufgesteckt und festgedrückt.
Fehlender linker Kanal:
Ursächlich war der Schleiferkontakt des Balancepotis, das beim linken Kanal keinen Kontakt mehr zur Widerstandsbahn hatte. Poti ausgebaut, geöffnet und Schleiferkontakte nachgebogen.
Alles wieder gut, linker Kanal ist wieder voll da.
Weshalb ich hier poste, ist vielmehr den Messungen geschuldet, die ich nach einer Reparatur immer mache. In diesem Fall: THD (Klirrfaktor) an 4 Ohm und an 8 Ohm Lastwiderstand.
Bei niedriger Ausgangsleistung waren diese unauffällig niedrig, wie es beim A 9000 sein soll. Meine "normale" Messeinrichtung mit guter Mittelklasse-Soundkarte (Steinberg UR242) ist dafür schon nicht mehr hinreichend, deren Untergrenze ist bei einem THD-Wert 0,003 % (1 kHz). Der A 9000 hat aber bei 10 W nur 0,001 % und auch bei 50 W nur höchstens 0,005 % THD (an 4 Ohm Last). Für < 50 W Ausgangsleistung musste die QA403 her, die noch bis 0,0001 % (-120 dB) THD messen kann.
Bei >0,005 % THD stimmen meine UR242 Soundkarte und die leistungsfähigere QA403 bei den angezeigten Werten überein. Ich bin deshalb sicher, dass ich keiner Fehlmessung aufsitze.
Worum es denn nun genau geht, seht ihr hier: THD bei 1 kHz gemessen. Grundig spezifiziert in den Technischen Daten des A 9000 aber:
Klirrfaktor bei 1 kHz, Power (P, bezogen auf 120 W Sinus Nennleistung an 8 Ohm) - 1 dB: THD < 0,005 %
- 1 dB von 120 W sind 95 W.
Anders gesagt:
Der A 9000 soll bei 95 W Ausgangsleistung an 8 Ohm Last und bei 1 kHz THD-Verzerrungen von nicht mehr als 0,005 % haben.
Tatsächlich messe ich aber den zehnfachen Wert: THD = 0,045 %, auf beiden Kanälen gleich.
Dieser A 9000 erreicht bei meiner Messung bei 50 W an 8 Ohm schon 0,005 % THD, auf beiden Kanälen.
Tatsächlich hatte ich bei einer Reparatur eines anderen A 9000 im Jahr 2010 bei 50 W an 8 Ohm einen THD bei 1 kHz von nur max. 0,003 % (oder weniger) gemessen. Der Wert würde der Grundig-Spezifikation entsprechen. Ich weiss aber nicht, ob damals die Netzspannung auch schon bei 238 V lag.
Nach meiner bisherigen Erfahrung fallen THD-Messungen an 8 Ohm Lastwiderstand bei den meisten Verstärkern günstiger aus als bei Messung an 4 Ohm. Jedenfalls ist das der Fall, wenn die Verzerrungen grösstenteils in der Stromverstärkungsstufe bei hohem Ausgangsstrom entstehen (bei 100 W ist der Ausgangsstrom 5 A an einem 4 Ohm Lastwiderstand, aber nur 3,5 A bei einem 8 Ohm Widerstand).
Hier, beim A 9000 (zumindest bei DIESEM) ist es anders. Wie an der Grafik ersichtlich, steigen die Verzerrungen im oberen Leistungsbereich an 8 Ohm Last viel früher und stärker an als beim 4 Ohm Lastwiderstand. Demnach ist die Zunahme nicht primär durch den Ausgangsstrom bestimmt, sondern durch die höhere Ausgangsspannung, die für gleiche Leistung an 8 Ohm erforderlich ist.
Ich vermute deshalb, dass die Spannungsverstärkerstufe (Treiber, inkl. Hybridbaustein STK) des A 9000 hier für die Verzerrungen im oberen Leistungsbereich ursächlich ist.
Das trifft auch bei 4 Ohm Last zu, ist nur weniger ausgeprägt, da die Ausgangsspannung kleiner bleibt.
Kontaktstörungen an den Schaltern und bei den Relais gibt es nicht. Auch bei Hin- und Herschalten sind die Werte exakt reproduzierbar.
Durch die höhere Netzspannung von jetzt 238 V liegen die Endstufen nicht mehr an +/- 58 V, wie 1990, sondern nun an +/- 64 V. Und auch der STK sieht diese erhöhte Süannung an seiner Versorgung. Kann es sein, dass der STK damit bei höherer Ausgangsspannung nicht mehr im optimalen "Arbeitspunkt" werkelt?
Es ist keine Beeinträchtigung des Hörvergnügens dadurch zu erwarten. dazu sind selbst diese erhöhten Klirrwerte immer noch klein genug. Aber auffällig ist es schon.
Was sagt ihr dazu?
Besten Gruß
Reinhard
- timundstruppi
- Beiträge: 2600
- Registriert: Do 29. Sep 2016, 17:25
- Wohnort: schloss mühlenhof
Re: A 9000 und seine Schwachstellen
Interessant.
Wenn, wie du geschrieben hast, es keine Messfehler, sondern reproduzierbar ist, muss man sich fragen, welche Bauteile können bei höheren Spannungen weniger linear werden.
Sättigungsefekte? Bei Spulen ja, da geht es aber um Strom. Kondensatoren? Wir reden hier von kleinsten Effekten.
Man kann bestimmt eine Schaltung für 4 Ohm optimieren. Ist sie dann bei 8 Ohm besser?
Wenn, wie du geschrieben hast, es keine Messfehler, sondern reproduzierbar ist, muss man sich fragen, welche Bauteile können bei höheren Spannungen weniger linear werden.
Sättigungsefekte? Bei Spulen ja, da geht es aber um Strom. Kondensatoren? Wir reden hier von kleinsten Effekten.
Man kann bestimmt eine Schaltung für 4 Ohm optimieren. Ist sie dann bei 8 Ohm besser?
Re: A 9000 und seine Schwachstellen
Zitat (timmundstruppi)
"welche Bauteile können bei höheren Spannungen weniger linear werden."
Wie ist es denn bei Transistoren und Dioden?
Der Original STK 3102 IV (Q719) soll für +/-60 V ausgelegt sein. Bei 238 V Netzspannung lauft er aber an +/-64 V.
Ein Datenblatt für den STK 3102 IV habe ich allerdings nicht gefunden. Die Information ist "2nd hand".
Das Datenblatt für den ähnlichen STK 3102 III nennt +/-50 V recommended Vcc (absolute max. ist 75 V) sowie THD < 0,005 % bei recommended Vcc und 90-100 W an 8 Ohm.
Empfohlen wird in Foren Ersatz durch STK 3152 III, der für +/- 60 V recommended Vcc ausgelegt ist (absolute max. 90 V).
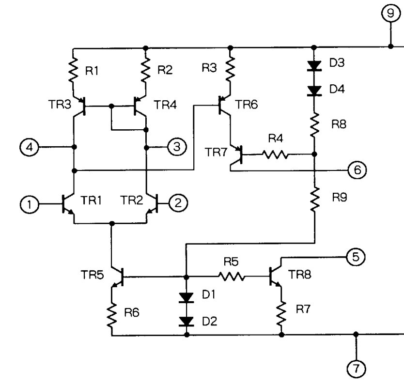
Schaltung des STK: Differenzstufe mit Stromspiegel und Spannungsverstärkerstufe: 1 - nicht invertierender Eingang
2 - invertierender Eingang
3 - Kompensation
4 - Kompensation
5 - Out -
6 - Out +
7 - Vcc -
8 - GND
9 - Vcc +
Die A 9000 Endstufe ist japanisch Marantz-typisch , auf 8 Ohm ausgelegt. Kann aber auch 4 Ohm problemlos.
Bei 8 Ohm arbeitet "meine" aber schlechter, schon das ist auffällig. Daher sehe ich die Auslegung auf 8 Ohm nicht als ursächlich, im Gegenteil. Auch meine Messung in 2010 bei 8 Ohm hat ja damals gut in die Grundig-Spezifikation gepasst.
War 2010 die Netzspannung bei mir noch niedriger als 238 V?
Ist das STK gealtert, dadurch weniger linear? Das Ding wird schon bei 50 W Ausgangsleistung sehr (!) warm. Der Mini-Alu-Kühlwinkel daran so warm, dass man ihn nicht anfassen kann.
Vielleicht kann ich in einer Simulation eine zunehmende Nicht-Linearität des STK mit erhöhter Vcc für steigende Ausgangsspannung finden?
Gruß
Reinhard
"welche Bauteile können bei höheren Spannungen weniger linear werden."
Wie ist es denn bei Transistoren und Dioden?
Der Original STK 3102 IV (Q719) soll für +/-60 V ausgelegt sein. Bei 238 V Netzspannung lauft er aber an +/-64 V.
Ein Datenblatt für den STK 3102 IV habe ich allerdings nicht gefunden. Die Information ist "2nd hand".
Das Datenblatt für den ähnlichen STK 3102 III nennt +/-50 V recommended Vcc (absolute max. ist 75 V) sowie THD < 0,005 % bei recommended Vcc und 90-100 W an 8 Ohm.
Empfohlen wird in Foren Ersatz durch STK 3152 III, der für +/- 60 V recommended Vcc ausgelegt ist (absolute max. 90 V).
Schaltung des STK: Differenzstufe mit Stromspiegel und Spannungsverstärkerstufe: 1 - nicht invertierender Eingang
2 - invertierender Eingang
3 - Kompensation
4 - Kompensation
5 - Out -
6 - Out +
7 - Vcc -
8 - GND
9 - Vcc +
Die A 9000 Endstufe ist japanisch Marantz-typisch , auf 8 Ohm ausgelegt. Kann aber auch 4 Ohm problemlos.
Bei 8 Ohm arbeitet "meine" aber schlechter, schon das ist auffällig. Daher sehe ich die Auslegung auf 8 Ohm nicht als ursächlich, im Gegenteil. Auch meine Messung in 2010 bei 8 Ohm hat ja damals gut in die Grundig-Spezifikation gepasst.
War 2010 die Netzspannung bei mir noch niedriger als 238 V?
Ist das STK gealtert, dadurch weniger linear? Das Ding wird schon bei 50 W Ausgangsleistung sehr (!) warm. Der Mini-Alu-Kühlwinkel daran so warm, dass man ihn nicht anfassen kann.
Vielleicht kann ich in einer Simulation eine zunehmende Nicht-Linearität des STK mit erhöhter Vcc für steigende Ausgangsspannung finden?
Gruß
Reinhard
Re: A 9000 und seine Schwachstellen
Das verdächtige Bauteil, also der spannungsverstärkende Hybrid-Baustein, ist nach meiner bescheidenen Einschätzung sicher schon gut eingegrenzt. Mein Blick wäre bei diesem tatsächlich interessanten Messergebnis auch gleich auf einen früher vielleicht schonmal notwendigen und vorgenommenen Tausch gefallen, die STK können ja durchaus anfällig sein. Was spricht aber andererseits gegen Vergleichsmessungen, z.B. am RTT (die üblichen 3 bis 4A dürften bequem ausreichen) oder kurz nach dem Einschalten, um den Einfluss der Wärmeentwicklung zur prüfen, auch wenn das etwa mit Blick auf den Ruhestrom natürlich andere Nachteile haben kann?
- timundstruppi
- Beiträge: 2600
- Registriert: Do 29. Sep 2016, 17:25
- Wohnort: schloss mühlenhof
Re: A 9000 und seine Schwachstellen
Ja genau Dioden und Transistoren, die eine extrem nicht lineare exponentielle KL haben.
Jede Kurve ist im Kleinen linear. Durch den Schaltungstrick des Differenzverstärkers gibt es eine sehr gute Linearität.
Bei 8 Ohm wird aber 1,41 höhere Spannung benötigt, sodass es bei größerem Hub zu einer größeren Abweichung kommen kann.
Kann es sein, dass diese schon früher, also vor den STK entsteht? Oder ist die Eingangsspannung am STK bei 4 und 8 Ohm die gleiche?
Miss da mal...
Jede Kurve ist im Kleinen linear. Durch den Schaltungstrick des Differenzverstärkers gibt es eine sehr gute Linearität.
Bei 8 Ohm wird aber 1,41 höhere Spannung benötigt, sodass es bei größerem Hub zu einer größeren Abweichung kommen kann.
Kann es sein, dass diese schon früher, also vor den STK entsteht? Oder ist die Eingangsspannung am STK bei 4 und 8 Ohm die gleiche?
Miss da mal...
Re: A 9000 und seine Schwachstellen
Für die gleiche Ausgangsleistung muß der Lautstärkesteller bei 8 Ohm Last weiter aufgedreht werden als bei 4 Ohm. Dadurch ist die Eingangsspannung des Audiosignals am STK entsprechend grösser.
Du hast Recht, ich habe bislang die Entstehung von mehr Verzerrungen durch grösserem STK-Eingangspegel noch nicht ausgeschlossen. Deine Bemerkung lässt mich jetzt weitere Möglichkeiten in Betracht ziehen.
Das Audiosignal aller Eingänge läuft vor dem STK noch über eine FET-Differenzstufe und anschliessend einen OpAmp, in dessen Gegenkopplung die Klangstellerstufe sitzt. Mit dem Defeat-Schalter lässt sich diese Gegenkopplung überbrücken, so dass die Klangsteller umgangen werden. Es bleibt immer noch der Einfluß der FET-Differenzstufe und des OpAmps.
Die einzelnen Eingangspuffer sind unverdächtig, da der Effekt bei allen Eingängen gleich ist.
Da beide Kanäle in exakt gleichem Maß betroffen sind, habe ich bisher den Vorverstärker-Teil nicht ins Auge gefasst. Aber es könnte ja evtl. eine unsymmetrische Versorgungsspannung an den OpAmps vorliegen. Das würde beide Kanäle gleich beeinträchtigen. Werde ich nachprüfen.
Ich will auch versuchen, den THD Eingangspegel-abhängig vor dem STK, aber hinter dem VV zu messen. Am Balancesteller komme ich an einen geeigneten Messpunkt von oben gut ran.
Simulation:
War hier nur bedingt hilfreich.
Habe die Power-Amp-Applikationsschaltung aus dem STK-3152 III Datenblatt in der Simulation nachgebaut. In der Simulation bestätigen konnte ich einen THD von 0,005 % bei 100 W an 4 Ohm Last bei +/-64 V Versorgung. Ebenfalls bei 100 W, aber an 8 Ohm, gab THD von 0,01 %. Insofern ist also erstmal höherer Klirr bei gleicher Leistung an kleinerer Last (grösserer Widerstand) nicht unbedingt ein Zeichen einer Anomalie. Das wird von der Schaltungsdimensionierung im Einzelnen abhängen.
Aber dass der Klirr mit höherer Versorgungsspannung ansteigen würde, sehe ich in der Simulation nicht, eher das Gegenteil.
Gruß
Reinhard
Du hast Recht, ich habe bislang die Entstehung von mehr Verzerrungen durch grösserem STK-Eingangspegel noch nicht ausgeschlossen. Deine Bemerkung lässt mich jetzt weitere Möglichkeiten in Betracht ziehen.
Das Audiosignal aller Eingänge läuft vor dem STK noch über eine FET-Differenzstufe und anschliessend einen OpAmp, in dessen Gegenkopplung die Klangstellerstufe sitzt. Mit dem Defeat-Schalter lässt sich diese Gegenkopplung überbrücken, so dass die Klangsteller umgangen werden. Es bleibt immer noch der Einfluß der FET-Differenzstufe und des OpAmps.
Die einzelnen Eingangspuffer sind unverdächtig, da der Effekt bei allen Eingängen gleich ist.
Da beide Kanäle in exakt gleichem Maß betroffen sind, habe ich bisher den Vorverstärker-Teil nicht ins Auge gefasst. Aber es könnte ja evtl. eine unsymmetrische Versorgungsspannung an den OpAmps vorliegen. Das würde beide Kanäle gleich beeinträchtigen. Werde ich nachprüfen.
Ich will auch versuchen, den THD Eingangspegel-abhängig vor dem STK, aber hinter dem VV zu messen. Am Balancesteller komme ich an einen geeigneten Messpunkt von oben gut ran.
Simulation:
War hier nur bedingt hilfreich.
Habe die Power-Amp-Applikationsschaltung aus dem STK-3152 III Datenblatt in der Simulation nachgebaut. In der Simulation bestätigen konnte ich einen THD von 0,005 % bei 100 W an 4 Ohm Last bei +/-64 V Versorgung. Ebenfalls bei 100 W, aber an 8 Ohm, gab THD von 0,01 %. Insofern ist also erstmal höherer Klirr bei gleicher Leistung an kleinerer Last (grösserer Widerstand) nicht unbedingt ein Zeichen einer Anomalie. Das wird von der Schaltungsdimensionierung im Einzelnen abhängen.
Aber dass der Klirr mit höherer Versorgungsspannung ansteigen würde, sehe ich in der Simulation nicht, eher das Gegenteil.
Gruß
Reinhard
- timundstruppi
- Beiträge: 2600
- Registriert: Do 29. Sep 2016, 17:25
- Wohnort: schloss mühlenhof
Re: A 9000 und seine Schwachstellen
Schön, dass ich Dich weiter inspiriere.
Deine Audiokarten sind ja wirklich der Hammer und vor allen Dingen mit 600 Dollar auch nicht billig.
Insgesamt ein interessanter Faden. Nein ich werde jetzt soundkartentechnisch noch nicht aufrüsten.
Deine Audiokarten sind ja wirklich der Hammer und vor allen Dingen mit 600 Dollar auch nicht billig.
Insgesamt ein interessanter Faden. Nein ich werde jetzt soundkartentechnisch noch nicht aufrüsten.
Re: A 9000 und seine Schwachstellen
tut mir leid wenn der Gedanke zu schlicht war, und ich kann die weiter entwickelten bauteilbezogenen Überlegungen auch nachvollziehen, aber sry wenn ich nochmal nachhake: wo ist der Denkfehler daran, beim Verdacht einer im Vergleich zur Zeit der Entwicklung des Verstärkers niedrigeren Netzspannung ihn dann an einem ausreichend belastbaren Regeltrenntrafo mit reduzierter Spannung zu betreiben und die Messung(en), die den Verdacht erst ausgelöst hat / haben, zunächst abseits und unabhängig von Simulationen ganz praktisch zu wiederholen?
Re: A 9000 und seine Schwachstellen
@ Tom,
klar, ich kann mit Regeltrenntrafo bei genau 220V messen, und die Frage, ob die jetzt höhere Netzspannung sich negativ auswirkt, ist damit zu beantworten. Werde ich machen.
@ timundstruppi,
wäre ja schön, wenn der QA403 nur 600 US $ kosten würde. Leider ist das aber nur der Netto-Preis in den USA ohne dortige Federal und State Taxes und bei Kauf ausserhalb USA ohne Versandkosten und Zoll und deutsche Einfuhr-/Umsatzsteuer (= MWSt), die obendrauf kommt.
Kauft man aus Deutschland den QA403 in den USA direkt, zahlt man mit Versand, Einfuhrzoll und MWSt. bei uns in tutto 799,- € und hat noch Lauferei zum Zollamt. Im Garantiefall müsste man ihn wieder nach USA schicken, was weitere beträchtliche Kosten mit sich brächte und die gesetzliche europäische 2-Jahres Garantie entfiele natürlich auch. Man unterliegt dann US-Verkaufsbedingungen.
Man kann ihn aber auch beim deutschen Vertriebspartner (Elektor) für 799,- €, kaufen und hat dann den Vorzug, nach deutschem Recht gekauft zu haben, mit all dessen Vorteilen. So habe ich es gemacht.
Zum Problem:
Unmittelbar vor dem STK sitzt der Mutingschalter (1:10 Spannungsteiler), der um 20 dB abschwächt (auf 1/10 der Eingangsspannung am STK) und davor das Lautstärkepoti.
Wenn ich ohne Muting THD messe, dann Muting einschalte und die Eingangsspannung auf das Zehnfache erhöhe, so dass ich am STK wieder die gleiche NF-Eingangsspannung habe, ist in beiden Fällen THD genau gleich. Die Höhe der Eingangsspannung am Vorverstärker (vor dem STK) hat also keinen Einfluss, sondern nur die Höhe der NF-Eingangsspannung, die der STK bekommt (und damit auch die Ausgangsleistung der Endstufe(n).
Diese Frage ist also beantwortet. Der beanstandete Klirr (THD) entsteht erst im STK oder in der Leistungsendstufe selbst oder in beiden Schaltungseinheiten gemeinsam.
Ich hatte auch die Mikroschalter in Verdacht, da diese auch Probleme machen können, die sich in erhöhtem THD auswirken. Denn über deren Kontakte muss die NF, bevor sie an den STK kommt. Es gibt im THD beim Ein- und Ausschalten der Mikroschalter aber keine nennenswerte Schwankungen, bzw. Änderungen. Auch nicht, wenn ich an ihnen "wackele"; natürlich mit Ausnahme des Mutingschalters, der den NF-Pegel am STK um 20 dB verringert. Inzwischen schliesse ich die Schaltkontakte als Ursache aus.
Den berichteten großen Unterschied zwischen 4 Ohm und 8 Ohm Last und die bisher gemessenen THD-Kurven bei 4 Ohm Last muss ich als "noch zu bestätigen" vorsichtigerweise verwerfen, nachdem ich gestern festgestellt habe, dass mein 4 Ohm Lastwiderstand einen Defekt hatte (zwei parallele 8 Ohm/50 W Hochlastwiderstände auf einem Alu-Kühlblock, einer dieser beiden hatte inzwischen 10 Ohm und war temperaturabhängig instabil). Die alten THD-Messwerte an "4 Ohm" waren, durch den Defekt bedingt, gestern nicht mehr reproduzierbar, die an 8 Ohm waren es aber.
Inzwischen habe ich den 4 Ohm / 100 W Leistungs-Lastwiderstand erneuert und werde die 4 Ohm-Messungen damit wiederholen.
Unabhängig davon steht aber nach wie vor fest, dass auch an 8 Ohm (insbesondere oberhalb von 50 W/8 Ohm) die Grundig-Spezifikation nicht mehr eingehalten wird.
Ein STK 3251 III (für höhere DC-Versorgungsspannung ausgelegt) ist im Zulauf.
Gruß
Reinhard
klar, ich kann mit Regeltrenntrafo bei genau 220V messen, und die Frage, ob die jetzt höhere Netzspannung sich negativ auswirkt, ist damit zu beantworten. Werde ich machen.
@ timundstruppi,
wäre ja schön, wenn der QA403 nur 600 US $ kosten würde. Leider ist das aber nur der Netto-Preis in den USA ohne dortige Federal und State Taxes und bei Kauf ausserhalb USA ohne Versandkosten und Zoll und deutsche Einfuhr-/Umsatzsteuer (= MWSt), die obendrauf kommt.
Kauft man aus Deutschland den QA403 in den USA direkt, zahlt man mit Versand, Einfuhrzoll und MWSt. bei uns in tutto 799,- € und hat noch Lauferei zum Zollamt. Im Garantiefall müsste man ihn wieder nach USA schicken, was weitere beträchtliche Kosten mit sich brächte und die gesetzliche europäische 2-Jahres Garantie entfiele natürlich auch. Man unterliegt dann US-Verkaufsbedingungen.
Man kann ihn aber auch beim deutschen Vertriebspartner (Elektor) für 799,- €, kaufen und hat dann den Vorzug, nach deutschem Recht gekauft zu haben, mit all dessen Vorteilen. So habe ich es gemacht.
Zum Problem:
Unmittelbar vor dem STK sitzt der Mutingschalter (1:10 Spannungsteiler), der um 20 dB abschwächt (auf 1/10 der Eingangsspannung am STK) und davor das Lautstärkepoti.
Wenn ich ohne Muting THD messe, dann Muting einschalte und die Eingangsspannung auf das Zehnfache erhöhe, so dass ich am STK wieder die gleiche NF-Eingangsspannung habe, ist in beiden Fällen THD genau gleich. Die Höhe der Eingangsspannung am Vorverstärker (vor dem STK) hat also keinen Einfluss, sondern nur die Höhe der NF-Eingangsspannung, die der STK bekommt (und damit auch die Ausgangsleistung der Endstufe(n).
Diese Frage ist also beantwortet. Der beanstandete Klirr (THD) entsteht erst im STK oder in der Leistungsendstufe selbst oder in beiden Schaltungseinheiten gemeinsam.
Ich hatte auch die Mikroschalter in Verdacht, da diese auch Probleme machen können, die sich in erhöhtem THD auswirken. Denn über deren Kontakte muss die NF, bevor sie an den STK kommt. Es gibt im THD beim Ein- und Ausschalten der Mikroschalter aber keine nennenswerte Schwankungen, bzw. Änderungen. Auch nicht, wenn ich an ihnen "wackele"; natürlich mit Ausnahme des Mutingschalters, der den NF-Pegel am STK um 20 dB verringert. Inzwischen schliesse ich die Schaltkontakte als Ursache aus.
Den berichteten großen Unterschied zwischen 4 Ohm und 8 Ohm Last und die bisher gemessenen THD-Kurven bei 4 Ohm Last muss ich als "noch zu bestätigen" vorsichtigerweise verwerfen, nachdem ich gestern festgestellt habe, dass mein 4 Ohm Lastwiderstand einen Defekt hatte (zwei parallele 8 Ohm/50 W Hochlastwiderstände auf einem Alu-Kühlblock, einer dieser beiden hatte inzwischen 10 Ohm und war temperaturabhängig instabil). Die alten THD-Messwerte an "4 Ohm" waren, durch den Defekt bedingt, gestern nicht mehr reproduzierbar, die an 8 Ohm waren es aber.
Inzwischen habe ich den 4 Ohm / 100 W Leistungs-Lastwiderstand erneuert und werde die 4 Ohm-Messungen damit wiederholen.
Unabhängig davon steht aber nach wie vor fest, dass auch an 8 Ohm (insbesondere oberhalb von 50 W/8 Ohm) die Grundig-Spezifikation nicht mehr eingehalten wird.
Ein STK 3251 III (für höhere DC-Versorgungsspannung ausgelegt) ist im Zulauf.
Gruß
Reinhard
Re: A 9000 und seine Schwachstellen
oldiefan hat geschrieben: Di 17. Jun 2025, 21:17
wäre ja schön, wenn der QA403 nur 600 US $ kosten würde. Leider ist das aber nur der Netto-Preis in den USA ohne dortige Federal und State Taxes und bei Kauf ausserhalb USA ohne Versandkosten und Zoll und deutsche Einfuhr-/Umsatzsteuer (= MWSt), die obendrauf kommt.
Kauft man aus Deutschland den QA403 in den USA direkt, zahlt man mit Versand, Einfuhrzoll und MWSt. bei uns in tutto 799,- € und hat noch Lauferei zum Zollamt. Im Garantiefall müsste man ihn wieder nach USA schicken, was weitere beträchtliche Kosten mit sich brächte und die gesetzliche europäische 2-Jahres Garantie entfiele natürlich auch. Man unterliegt dann US-Verkaufsbedingungen.
Ich habe den QA403 dieses Jahr in den USA gekauft, als er in Deutschland nicht verfügbar war. Zum VK in Höhe von 600 $ kamen 50 $ Versandkosten, UPS war der Carrier, wickelte die Einfuhr nach Deutschland ab und erstellte die Rechnung über knapp 120 € Zollgebühren / Einfuhrumsatzsteuer, die dann bequem von zuhause bezahlt werden konnte.
Auch wenn die Abwicklung sehr einfach war, soll das keine Empfehlung sein, sondern nur eine Info darüber, wie sich eine Bestellung direkt in den USA derzeit konkret darstellt. Man spart gut 80 € und unterliegt, wie Reinhard natürlich richtig sagt, anderen Garantiebedingungen. Muss vor diesem Hintergrund also jeder für sich selbst abwägen.