Nun habe ich auch meinen R 1000 bekommen mit den gleichen Problem wie bei meinen MR 100. Eingeschalten und nix passiert. Also den Deckel abgenommen und glech gesehen .....Sicherung defekt

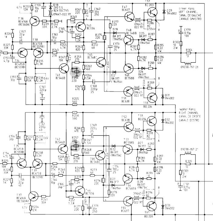
Nun Brauche ich Tipps und Trick das er erst einmal wieder läuft. Strom und Spannung kann ich messen. NF Signal nicht. Ich will erst folgende Bauteile entfernen.
- R 275,R 286,BC 548,BC 637, BC 203
Weitere Frage. Wie kann ich ohne viel zu zerstören den Kühlkörper entfernen? Sonst komme ich ja nicht an die Transitoren ran.
Hier noch zwei Bilder Danke im Voraus
Gruß Jörg