Grundig CB 230 TP VU-Meter Problem

Moderator: timundstruppi

Mister K.
Beiträge: 230
Registriert: So 11. Dez 2016, 11:21

Grundig CB 230 TP VU-Meter Problem

Beitrag von Mister K. »

Hallo,

ich setzte das ganze mal separat hier rein, obwohl das CB 230 TP ja eigentlich eine Komponente der XPC 6500 ist.

Ich hatte das Deck bereits problemlos am Laufen, dann stellte ich fest, dass die Pausentaste nichts macht. Zuerst dachte ich, dass es in der Mechanik fehlt, da die Taste nicht einrastete. Dann habe ich im Service Manual gelesen, dass dies so sein soll. Nach weiterem Schaltplan-Lesen wurde mir klar, dass ich wohl ein Problem mit der TP Platine habe und tatsächlich, nach Austausch der Tantal Elkos darauf geht das Deck nach Drücken der Pausen-Taste (wie auch bei Druck der Aus-Taste auf der Fernbedienung) in eine Art Standby. Die Tape-Pilot LED blinkt und der Motor ist aus.

Soweit sogut, nur habe ich jetzt ein neues Problem, dem ich irgendwie nicht Herr werde.

Das VU-Meter des rechten Kanals macht nicht was es soll. Bei Kassettenwiedergabe und Aufnahme geht es nach drücken der Play Taste auf ca -5 dB und bleibt dort statisch, also bewegt sich nicht. Nach Betätigungen der Stop Taste geht es wieder ganz nach unten.

Der Sound auf dem rechten Kanal ist jedoch einwandfrei. Ich habe daraufhin auf der Automatik-Platine alles Elkos und Tantals ausgetauscht sowie die Steckkontakte gereinigt, ohne Erfolg.
Auch mehrmaliges Betätigen der AW-Schalter hilft nicht...jetzt bin ich ratlos.
Hat jemand von euch eine Idee?

Langsam frage ich mich auch, warum ich mit der XPC angefangen habe...scheint eine ewig Baustelle zu sein. :lol:

Danke euch schon mal. ;)

LG
Anlage 1: XV7500 + ST6500 + CF5500-2 an Aktiv 50
Anlage 2: V7500 + T7500 + CF7500 an 2500a
Anlage 3: MXV100 + MT100 + MCF600 an Aktiv 40
Anlage 4: RPC 600 TP
Anlage 5: Studio 2240 Quadro
Benutzeravatar
mampfi
Administrator
Beiträge: 1791
Registriert: Mo 12. Okt 2015, 22:07
Wohnort: Eislingen

Re: Grundig CB 230 TP VU-Meter Problem

Beitrag von mampfi »

Hört sich so an, als ob da eine kleine Gleichspannung anliegt.
Haste das schon mal gemessen. Koppelkondensatoren, Dioden...???
Jede Menge Grundig Zeugs, garniert mit etwas Revox, Braun, Dual und Sony, an 5 Anlagen.

Grundig forever :D
Mister K.
Beiträge: 230
Registriert: So 11. Dez 2016, 11:21

Re: Grundig CB 230 TP VU-Meter Problem

Beitrag von Mister K. »

Hallo,

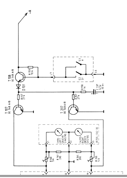
also...ich hab da wohl doch nicht genau genug gesschaut...die Schaltung für die VU-Meter geht ja noch auf der zweiten Seite weiter. :lol:

Hier mal der erste Teil der Schaltung.
cb230_1.PNG
C613 und C614 sind neu...an denen sollte es also nicht liegen.

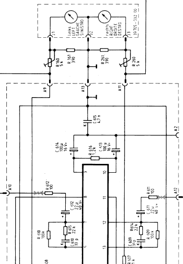
Dann geht die Schaltung auf der nächsten Seite so weiter:
cb230_2.PNG
Ist das quasi eine Verstärkerschaltung für die VU-Meter?
Nachdem nur das rechte Instrument das Problem hat, wird der T207 vermutlich ein heißer Kandidat sein. Auch C137 wird rausfliegen...ist laut Schaltplan ein Tantal.
Wen ich Donnertag wieder daheim wird ich das gleich mal überprüfen...langsam bekomme ich auch Übung im Zusammenbauen von dem Deck.

Nur so am Rande: Eigentlich ist dieses CB230TP doch relativ schmächtig für so eine teure Kompaktanlage, oder kommt das nur mir so vor?
Anlage 1: XV7500 + ST6500 + CF5500-2 an Aktiv 50
Anlage 2: V7500 + T7500 + CF7500 an 2500a
Anlage 3: MXV100 + MT100 + MCF600 an Aktiv 40
Anlage 4: RPC 600 TP
Anlage 5: Studio 2240 Quadro
Benutzeravatar
mampfi
Administrator
Beiträge: 1791
Registriert: Mo 12. Okt 2015, 22:07
Wohnort: Eislingen

Re: Grundig CB 230 TP VU-Meter Problem

Beitrag von mampfi »

Ja stimmt, Leckstrom eines Transistors könnte es natürlich auch sein.

Die eingebauten Laufwerke waren wohl alle nicht der soooo der Hit
Jede Menge Grundig Zeugs, garniert mit etwas Revox, Braun, Dual und Sony, an 5 Anlagen.

Grundig forever :D
bartolus
Beiträge: 180
Registriert: So 18. Dez 2016, 11:44

Re: Grundig CB 230 TP VU-Meter Problem

Beitrag von bartolus »

Hallo zusammen,

jepp. C-B Leckstrom kommt bei alten Transistoren relativ häufig vor. Nur fällt er oft gar nicht auf, weil die Schaltung nicht so hochohmig ist.
Oder es nur den Arbeitspunkt etwas verzieht.

Gruß
Bernhard
Mister K.
Beiträge: 230
Registriert: So 11. Dez 2016, 11:21

Re: Grundig CB 230 TP VU-Meter Problem

Beitrag von Mister K. »

Hallo,
also ich habe jetzt den T207 mit dem Transistortester überprüft und er misst sich gut.
Nach den dem Zusammenbau funktionierte das VU Meter kurzzeitig wieder. Aber nach dem dritten Mal Stop und wieder Play hing es wieder auf -5dB fest.
Ich habe mit dem Multimeter gemessen: Es liegen am Instrument konstant 190mV an.
Ich denke wenn einer der Transistoren durchlässig geworden wäre, wäre das erstens konstant und nicht ab und zu durch An- und Ausschalten zu beheben und zweitens würde das Instrument zumindest noch etwas zappeln wenn Musik läuft...tut es aber nicht.

Echt komisch...
Anlage 1: XV7500 + ST6500 + CF5500-2 an Aktiv 50
Anlage 2: V7500 + T7500 + CF7500 an 2500a
Anlage 3: MXV100 + MT100 + MCF600 an Aktiv 40
Anlage 4: RPC 600 TP
Anlage 5: Studio 2240 Quadro
Benutzeravatar
timundstruppi
Beiträge: 2533
Registriert: Do 29. Sep 2016, 17:25
Wohnort: schloss mühlenhof

Re: Grundig CB 230 TP VU-Meter Problem

Beitrag von timundstruppi »

Na dann schaue doch mal in welche Richtung im SP die Spannung größer wird....
Mister K.
Beiträge: 230
Registriert: So 11. Dez 2016, 11:21

Re: Grundig CB 230 TP VU-Meter Problem

Beitrag von Mister K. »

Hallo!

Was meinst du mit SP?

Ich versuche es jetzt auch nochmal alle Schiebeschalter und sonstigen Kontakte zu reinigen und schauen dass mechanisch alles in Ordnung ist.

LG
Anlage 1: XV7500 + ST6500 + CF5500-2 an Aktiv 50
Anlage 2: V7500 + T7500 + CF7500 an 2500a
Anlage 3: MXV100 + MT100 + MCF600 an Aktiv 40
Anlage 4: RPC 600 TP
Anlage 5: Studio 2240 Quadro
Benutzeravatar
mampfi
Administrator
Beiträge: 1791
Registriert: Mo 12. Okt 2015, 22:07
Wohnort: Eislingen

Re: Grundig CB 230 TP VU-Meter Problem

Beitrag von mampfi »

Schaltplan.....?
Jede Menge Grundig Zeugs, garniert mit etwas Revox, Braun, Dual und Sony, an 5 Anlagen.

Grundig forever :D
Benutzeravatar
timundstruppi
Beiträge: 2533
Registriert: Do 29. Sep 2016, 17:25
Wohnort: schloss mühlenhof

Re: Grundig CB 230 TP VU-Meter Problem

Beitrag von timundstruppi »

Ja Schaltplan, Schiebeschalter sind die Verdächtigen bei den Decks.
Antworten

Zurück zu „70er Jahre“