Hallo zusammen,
schon seit einer Weile beschäftige ich mich mit einem RR1040, den ich günstig erstanden habe.
Nachdem ich das Kassettenteil wieder fit gemacht, Korrosion durch ausgelaufene Batterien und einige Elkos ausgetauscht habe stehe ich nun vor zwei Problemen, bei denen ich nicht weiter komme:
1. Die Druckschalter haben massive Kontaktprobleme. Eigentlich funktioniert nur der für UKW richtig. Die anderen Wellenbereiche funktionieren nur mit Glück und mit viel hin und her probieren mit dem jeweiligen Schalter.
Ich hab’s jetzt mal mit Tuner 600 probiert...hilft aber nichts.
Hat da jemand eine gute Methode um die wieder sauber zu bekommen?
2. Ist wohl auch ein Kontaktproblem: Das Gerät funktioniert im Moment nur über das Batteriefach...bei Anschluss an Netzspannung tut sich nichts. Ich habe den Umschalter zwischen Netz- und Batteriefach in Verdacht. Als das Gerät ankam tat sich überhaupt nichts...auch nicht mit Batterien. Nach häufigem Betätigen dieses Schalters funktionierte immerhin das Batteriefach...Netz geht aber nicht egal wie oft ich schalte.Spannung wäre von Netzseite aber da, also Trafo und Gleichrichter sind ok.
Hat da jemand eine Idee? Ist einfach blöd bei dem Gerät dass die ganzen Platinen miteinander verlötet sind...
LG
Grundig RR1040 Probleme
Moderator: timundstruppi
Grundig RR1040 Probleme
Anlage 1: XV7500 + ST6500 + CF5500-2 an Aktiv 50
Anlage 2: V7500 + T7500 + CF7500 an 2500a
Anlage 3: MXV100 + MT100 + MCF600 an Aktiv 40
Anlage 4: RPC 600 TP
Anlage 5: Studio 2240 Quadro
Anlage 2: V7500 + T7500 + CF7500 an 2500a
Anlage 3: MXV100 + MT100 + MCF600 an Aktiv 40
Anlage 4: RPC 600 TP
Anlage 5: Studio 2240 Quadro
Re: Grundig RR1040 Probleme
Servus,
die Kontaktprobleme habe ich inzwischen im Griff, auch das mit dem Netzteil ist gelöst...war nicht der Schalter im beim Netzanschluss, waren gebrochene Lötstellen.
Jetzt hab ich ein neues Problem. Im Radiobetrieb fehlt der rechte Kanal und im Kassettenbetrieb der linke Kanal.
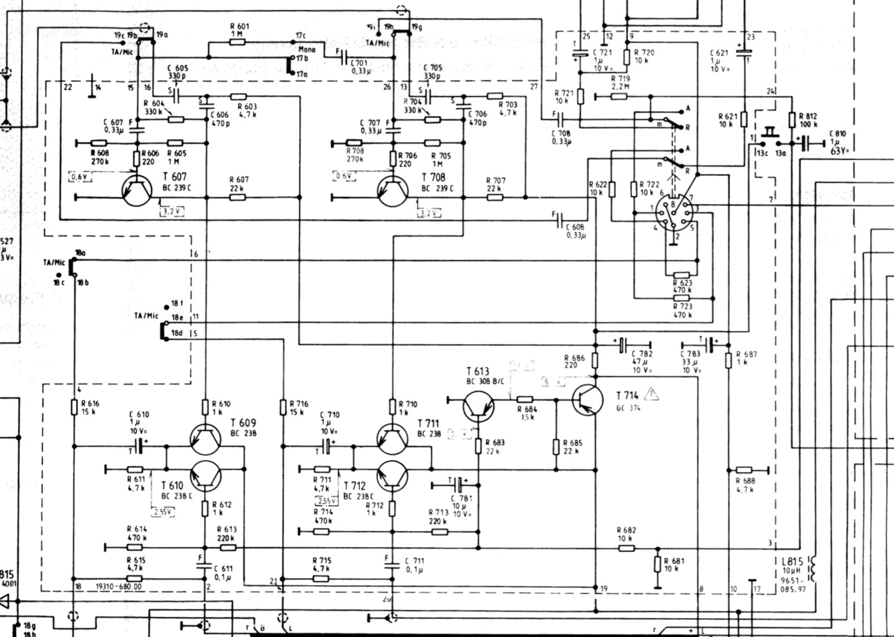
Hier ein Auszug aus dem Schaltbild dazu:
Beide Signale sind an T607 und T708 noch vorhanden.
Ich hatte anfangs echt Probleme die Schaltung zu verstehen...für mich sieht es aus aus, als dass an dem Differenzvestärker danach praktisch die Signale von Radio und Kassettendeck zusammenlaufen damit am Endverstärker gleiche Pegel ankommen, verstehe ich das richtig? Also wäre das ein heißer Kandidat? Ist halt echt nicht leicht an dieser Vorverstärkerplatine zu arbeiten, außer man lötet sie aus.
LG
Hat da jemand eine Idee wo ich weiter suchen kann?
LG
die Kontaktprobleme habe ich inzwischen im Griff, auch das mit dem Netzteil ist gelöst...war nicht der Schalter im beim Netzanschluss, waren gebrochene Lötstellen.
Jetzt hab ich ein neues Problem. Im Radiobetrieb fehlt der rechte Kanal und im Kassettenbetrieb der linke Kanal.
Hier ein Auszug aus dem Schaltbild dazu:
Beide Signale sind an T607 und T708 noch vorhanden.
Ich hatte anfangs echt Probleme die Schaltung zu verstehen...für mich sieht es aus aus, als dass an dem Differenzvestärker danach praktisch die Signale von Radio und Kassettendeck zusammenlaufen damit am Endverstärker gleiche Pegel ankommen, verstehe ich das richtig? Also wäre das ein heißer Kandidat? Ist halt echt nicht leicht an dieser Vorverstärkerplatine zu arbeiten, außer man lötet sie aus.
LG
Hat da jemand eine Idee wo ich weiter suchen kann?
LG
Anlage 1: XV7500 + ST6500 + CF5500-2 an Aktiv 50
Anlage 2: V7500 + T7500 + CF7500 an 2500a
Anlage 3: MXV100 + MT100 + MCF600 an Aktiv 40
Anlage 4: RPC 600 TP
Anlage 5: Studio 2240 Quadro
Anlage 2: V7500 + T7500 + CF7500 an 2500a
Anlage 3: MXV100 + MT100 + MCF600 an Aktiv 40
Anlage 4: RPC 600 TP
Anlage 5: Studio 2240 Quadro
Re: Grundig RR1040 Probleme
OK...inzwischen scheint der RR 1040 wieder voll zu funktionieren.
Ein paar Erkenntnisse aus der Reparatur:
Diese Sub-Platinen, die auf die Hauptplatine aufgelötet sind, verursachen gerne mal Probleme. Vor allem wenn die Sub-Platine eine Buchse beinhaltet brechen Lötstellen durch die mechanische Belastung beim Ein- und Ausstecken gerne ab und müssen nachgelötet werden.
Das Problem mit dem fehlenden Kanal hat sich irgendwie von selbst gelöst...beim herumsuchen mit dem Signalverfolger war der Kanal plötzlich wieder da...also vermutlich kalte Lötstelle oder auch wieder so eine Verbindung von der Vorverstärker-Platine zur Hauptplatine. So wie ich das sehe müsste die Vorverstärkerplatine komplett ausgebaut und nachgelötet werden...das tu ich mir jedoch nicht an.
Noch ein Detail zur Vorverstärkerplatine: Bei der zuvor im Foto gezeigten Schaltung handelt es sich nicht um einen Differenz-Verstärker, wie es auf den ersten Blick aussieht, sondern um einen elektronischen Quellenumschalter. Wenn das Kassettenteil eingeschaltet wird, legt dieses eine Steuerspannung an, die von einem auf den anderen Transistor umschaltet...elegante Lösung.
Noch eine Erkenntnis zum Kassettenteil: Da hat ja ein Kanal gefehlt. Schuld war ein alter Bekannter: Der VAT-Regler. Diesen hab ich jetzt durch zwei 22 kOhm und zwei 8,2 Ohm Widerstände ersetzt und nun läuft die Wiedergabe wieder auf beiden Kanälen...halt ohne VAT aber damit kann ich gut leben.
Zuerst wollte ich mich noch nach einen RR 1140 umsehen...ich glaube das lasse ich lieber.
LG
Ein paar Erkenntnisse aus der Reparatur:
Diese Sub-Platinen, die auf die Hauptplatine aufgelötet sind, verursachen gerne mal Probleme. Vor allem wenn die Sub-Platine eine Buchse beinhaltet brechen Lötstellen durch die mechanische Belastung beim Ein- und Ausstecken gerne ab und müssen nachgelötet werden.
Das Problem mit dem fehlenden Kanal hat sich irgendwie von selbst gelöst...beim herumsuchen mit dem Signalverfolger war der Kanal plötzlich wieder da...also vermutlich kalte Lötstelle oder auch wieder so eine Verbindung von der Vorverstärker-Platine zur Hauptplatine. So wie ich das sehe müsste die Vorverstärkerplatine komplett ausgebaut und nachgelötet werden...das tu ich mir jedoch nicht an.
Noch ein Detail zur Vorverstärkerplatine: Bei der zuvor im Foto gezeigten Schaltung handelt es sich nicht um einen Differenz-Verstärker, wie es auf den ersten Blick aussieht, sondern um einen elektronischen Quellenumschalter. Wenn das Kassettenteil eingeschaltet wird, legt dieses eine Steuerspannung an, die von einem auf den anderen Transistor umschaltet...elegante Lösung.
Noch eine Erkenntnis zum Kassettenteil: Da hat ja ein Kanal gefehlt. Schuld war ein alter Bekannter: Der VAT-Regler. Diesen hab ich jetzt durch zwei 22 kOhm und zwei 8,2 Ohm Widerstände ersetzt und nun läuft die Wiedergabe wieder auf beiden Kanälen...halt ohne VAT aber damit kann ich gut leben.
Zuerst wollte ich mich noch nach einen RR 1140 umsehen...ich glaube das lasse ich lieber.
LG
Anlage 1: XV7500 + ST6500 + CF5500-2 an Aktiv 50
Anlage 2: V7500 + T7500 + CF7500 an 2500a
Anlage 3: MXV100 + MT100 + MCF600 an Aktiv 40
Anlage 4: RPC 600 TP
Anlage 5: Studio 2240 Quadro
Anlage 2: V7500 + T7500 + CF7500 an 2500a
Anlage 3: MXV100 + MT100 + MCF600 an Aktiv 40
Anlage 4: RPC 600 TP
Anlage 5: Studio 2240 Quadro
- timundstruppi
- Beiträge: 2593
- Registriert: Do 29. Sep 2016, 17:25
- Wohnort: schloss mühlenhof
Re: Grundig RR1040 Probleme
VAT ist eh Quatsch, zu ruckweise.
Das mit dem Diff hast du ja noch gemerkt, wollte schon was schreiben, war aber nur am basteln...
Mal sehen, wie lange er läuft, die Summe der Fehler bleibt konstant.
Das mit dem Diff hast du ja noch gemerkt, wollte schon was schreiben, war aber nur am basteln...
Mal sehen, wie lange er läuft, die Summe der Fehler bleibt konstant.